中国政府网 | 山西省人民政府网 | 长治市人民政府网

  • 长治市城镇供水集团...
    • 组织机构
      • 主要职责
      • 领导信息
      • 内设机构
    • 公开指南
    • 公开规定
    • 年度报告
    • 工作动态
      • 通知公告公示
      • 日常工作动态
    • 决策信息
      • 总结计划
    • 应急管理
      • 应急预案
    • 便民信息

日常工作动态

  • 您当前所在的位置:
  • 首页
  • >政务公开
  • >工作动态
  • > 日常工作动态
字体大小: 【大】 【中】 【小】 下载 PDF.png文件下载
  • 索  引 号:110763666/2020-00919
  • 成文时间:2020年02月14日
  • 发文机关:市供水总公司
  • 发布日期:2020年02月14日
  • 发文字号:
  • 主  题 词:长治市供水总公司2020年1月水质检测报告

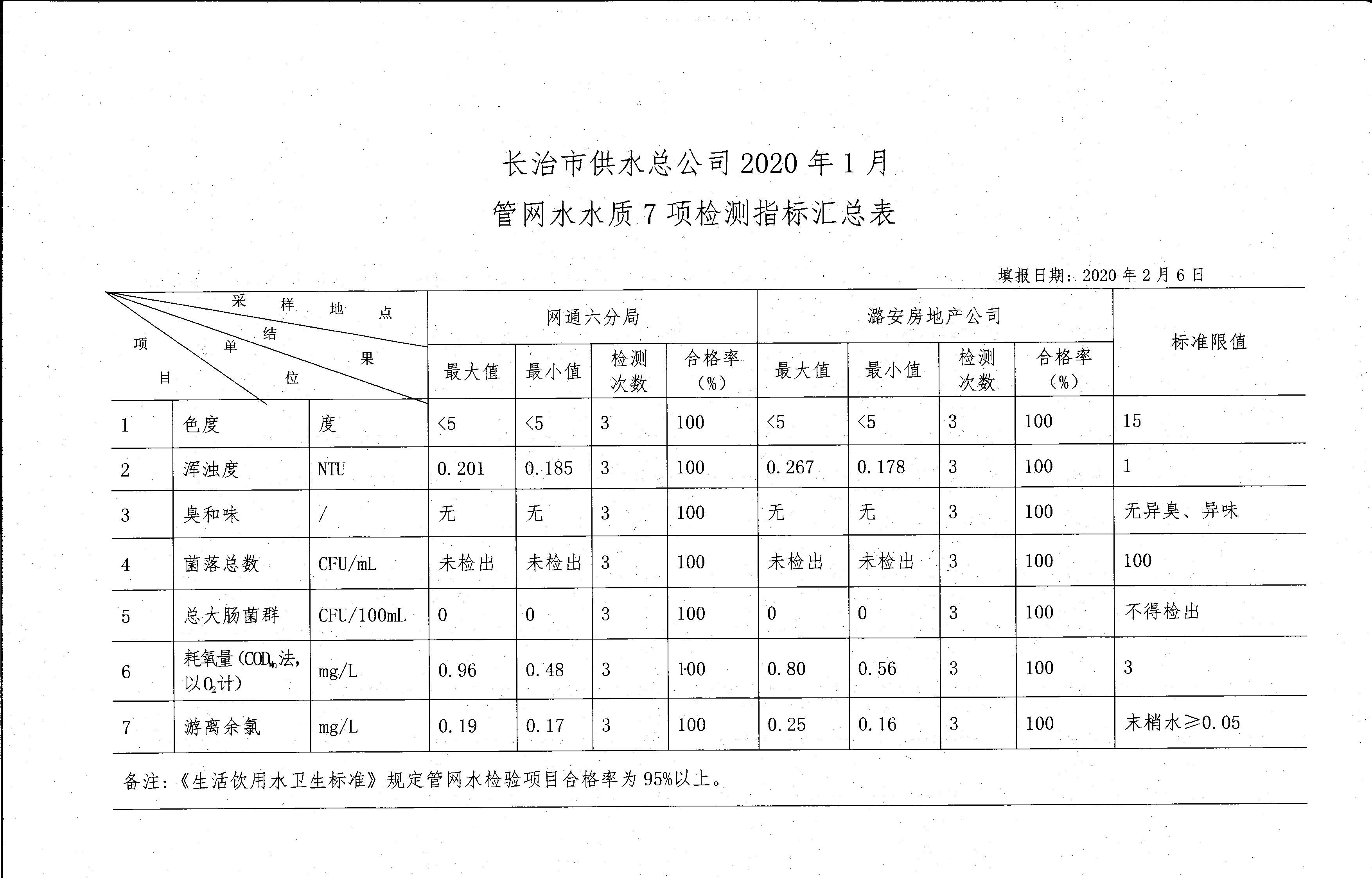
长治市供水总公司2020年1月水质检测报告

  • 县区政府
  • 市政府工作部门
  • 政府直属事业单位
  • 其他
  • 潞州区
  • 上党区
  • 屯留区
  • 潞城区
  • 襄垣县
  • 平顺县
  • 黎城县
  • 壶关县
  • 长子县
  • 武乡县
  • 沁县
  • 沁源县
  • 长治市发展和改革委员会
  • 长治市教育局
  • 长治市科学技术局
  • 长治市公安局
  • 长治市财政局
  • 长治市人力资源和社会保障局
  • 长治市规划和自然资源局
  • 长治市生态环境局
  • 长治市住房和城乡建设局
  • 长治市交通运输局
  • 长治市水利局
  • 长治市农业农村局
  • 长治市商务局
  • 长治市卫生健康委员会
  • 长治市统计局
  • 长治市住房公积金管理中心
  • 长治市招商中心
  • 长治国家高新技术产业开发区
  • 信用中国(山西长治)
  • 全国公共资源交易平台(山西省·长治市)
网站声明 | 网站地图 | 关于我们 | 联系我们
版权所有:长治市人民政府主办单位:长治市人民政府办公室承办单位:长治市人民政府信息中心晋ICP备05005523号网站标识码:1404000004晋公网安备 14040202000002号推荐使用1024*768或以上分辨率,并使用IE9.0或以上版本浏览器。网站支持IPV6